MH in Beliche Water Treatment Station – Portugal
The WTS, Water Treatment Station of Beliche, in the South of Portugal, displays a valve chambre, located in the entrance section of the WTS, with enough available space to install a MicroHydro as a by-pass to the installed discharge control valves, being able to produce hydro-electricity as the discharge is significant and available head of about 20m, allowing to install a power of aproximatelly 10 kW.
Micro-Hydro Central PAT, Pump As Turbine, was implanted within the existing chambre with Discharge Control Valve
Before / After the implantation of the Micro-Hydro within the valve chambre:






Negrelinhos MH
MH in Negrelinhos Small Dam - Portugal
The Small Dam of Negrelinhos, located in the centre region of Portugal, was studied in order to install a Micro Hydro on the end section of its Bottom Outlet, taking advantage of the existing hydraulic circuit, being only necessary to implant the Micro-Hydro on a by pass to the Intake pipeline to the Water Treatment Station.
The Small Dam of Negrelinhos, located in the centre region of Portugal, was studied in order to install a Micro Hydro on the end section of its Bottom Outlet, taking advantage of the existing hydraulic circuit, being only necessary to implant the Micro-Hydro on a by pass to the Intake pipeline to the Water Treatment Station.
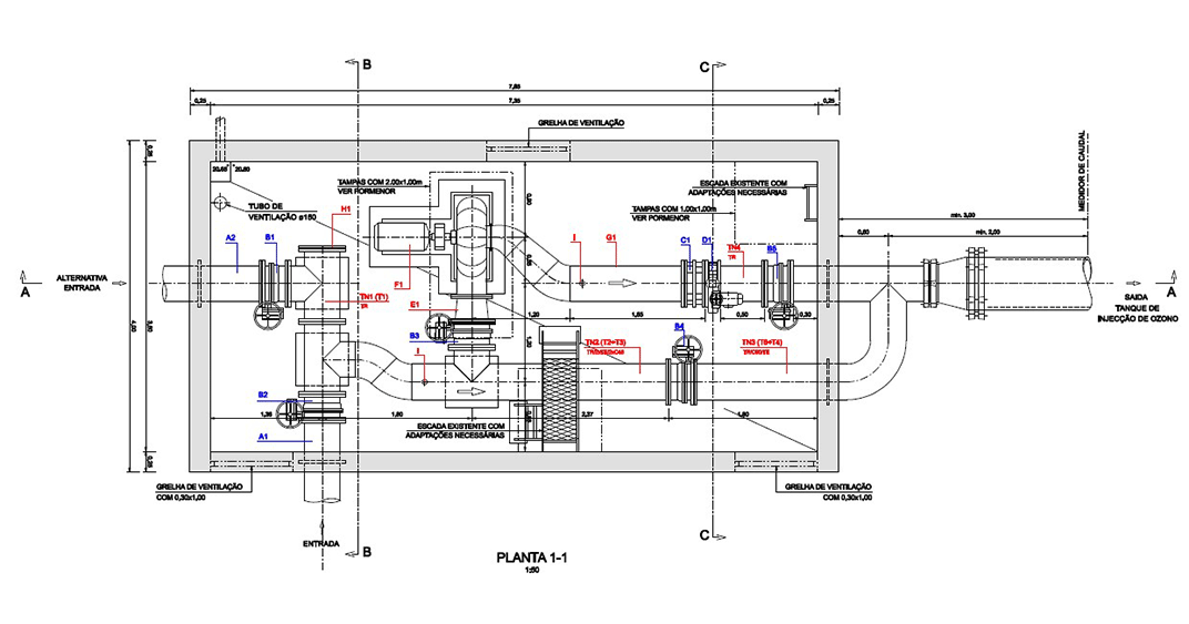
Negrelinhos MH – Longitudinal Profile Negrelinhos MH – Hydraulic Chamber - Drawings

MH in Water Treatment Station (WTS) / Water Distribution System (WDS)
MH of Alcantarilha is to be installed immediatly upstream the Water Treatment Station of Alcantarilha, which is supplied by the Odelouca Dam, in the south region of Portugal. This hydro is not exactly a Micro but a Mini-Hydro as it will be possible to install a turbo-machine of about 300 kW.
MH of Alcantarilha is to be installed immediatly upstream the Water Treatment Station of Alcantarilha, which is supplied by the Odelouca Dam, in the south region of Portugal. This hydro is not exactly a Micro but a Mini-Hydro as it will be possible to install a turbo-machine of about 300 kW.
